
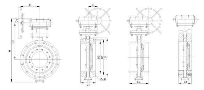
主要外形尺寸Main size of outside
型号Model: D34(6、7)2(3、4、5)F(X、H、W、Y)
| Class | NPS | 尺寸 (mm) | 蜗轮蜗杆装置 | |||||||
| Li | L2 | L3 | Ho | H | A | B | Do | |||
| 150 | 3 | 114 | 114 | 48 | 185 | 320 | 140 | 63 | 160 | 0型 |
| 4 | 127 | 127 | 54 | 195 | 342 | 140 | 63 | 160 | 0型 | |
| 5 | 140 | 140 | 55 | 209 | 365 | 140 | 63 | 300 | A型 | |
| 6 | 140 | 140 | 57 | 243 | 415 | 140 | 63 | 300 | A型 | |
| 8 | 152 | 152 | 64 | 263 | 510 | 150 | 84 | 400 | B型 | |
| 10 | 165 | 165 | 71 | 295 | 567 | 150 | 84 | 400 | B型 | |
| 12 | 178 | 178 | 81 | 342 | 665 | 200 | 108 | 600 | C型 | |
| 14 | 190 | 190 | 92 | 385 | 739 | 200 | 108 | 600 | C型 | |
| 16 | 216 | 216 | 102 | 430 | 825 | 240 | 152 | 600 | C型 | |
| 18 | 222 | 222 | 114 | 469 | 910 | 240 | 152 | 800 | D型 | |
| 20 | 229 | 229 | 127 | 500 | 990 | 300 | 168 | 800 | D型 | |
| 24 | 267 | 267 | 154 | 618 | 1210 | 320 | 192 | 800 | D型 | |
| 28 | 292 | 292 | 229 | 746 | 1475 | 237 | 168 | 400 | DA型 | |
| 32 | 318 | 318 | 241 | 810 | 1600 | 237 | 168 | 400 | DA型 | |
| 34 | 330 | 330 | 241 | 875 | 1728 | 237 | 168 | 400 | DA型 | |
| 40 | 410 | 410 | 300 | 965 | 1900 | 237 | 168 | 600 | DB型 | |
| 48 | 470 | 470 | 254 | 1055 | 2100 | 237 | 168 | 600 | DB型 | |
| 56 | 530 | 530 | 279 | 1163 | 2325 | 237 | 168 | 600 | DB型 | |
| 60 | 570 | 570 | 318 | 1343 | 2600 | 237 | 168 | 600 | DB型 | |
主要外形尺寸Main size of outside
型号Model: D34(6、7)2(3、4、5)F(X、H、W、Y)
| Class | NPS | 尺寸 (mm) | 蜗轮蜗杆 | |||||||
| L1 | L2 | L3 | Ho | H | A | B | Do | |||
| 300 | 3 | 180 | 180 | 48 | 141 | 395 | 140 | 63 | 300 | A型 |
| 4 | 190 | 190 | 54 | 205 | 355 | 140 | 63 | 400 | B型 | |
| 5 | 200 | 200 | 55 | 215 | 378 | 140 | 63 | 400 | B型 | |
| 6 | 210 | 210 | 59 | 260 | 430 | 150 | 84 | 600 | C型 | |
| 8 | 230 | 230 | 73 | 273 | 523 | 150 | 84 | 600 | C型 | |
| 10 | 250 | 250 | 83 | 315 | 600 | 200 | 108 | 600 | D型 | |
| 12 | 270 | 270 | 92 | 362 | 693 | 200 | 108 | 800 | D型 | |
| 14 | 290 | 290 | 117 | 405 | 772 | 240 | 152 | 800 | D型 | |
| 16 | 310 | 310 | 133 | 440 | 862 | 300 | 168 | 800 | DA型 | |
| 18 | 330 | 330 | 149 | 525 | 960 | 320 | 192 | 400 | DA型 | |
| 20 | 350 | 350 | 159 | 603 | 1158 | 168 | 237 | 400 | DA型 | |
| 24 | 390 | 390 | 181 | 693 | 1320 | 168 | 237 | 300 | A型 | |
| 600 | 3 | 180 | 180 | 54 | 250 | 500 | 140 | 63 | 400 | B型 |
| 4 | 190 | 190 | 64 | 340 | 595 | 140 | 63 | 600 | C型 | |
| 5 | 200 | 200 | 70 | 395 | 680 | 200 | 108 | 600 | C型 | |
| 6 | 210 | 210 | 78 | 423 | 730 | 240 | 152 | 600 | C型 | |
| 8 | 230 | 230 | 102 | 445 | 855 | 300 | 168 | 800 | D型 | |
| 10 | 250 | 250 | 117 | 536 | 1002 | 320 | 192 | 800 | D型 | |
| 12 | 270 | 270 | 140 | 614 | 1150 | 168 | 237 | 800 | D型 | |
| 14 | 290 | 290 | 155 | 674 | 1200 | 168 | 237 | 400 | DA型 | |
| 16 | 310 | 310 | 178 | 823 | 1345 | 168 | 237 | 400 | DA型 | |

























